...

欢迎光临深圳电商商业股份有限公司

你想找什么货品?

【电商】MRO供应链日本IZUMI泉电热法兰加热器FSH-2303-10

【电商】MRO供应链日本IZUMI泉电热法兰加热器FSH-2303-10

货号: FSH-2303-10
库存: 紧张

简介

日本 IZUMI 泉电热法兰加热器一、核心特点(6 条,≤130 字 / 条)法兰密封安装:JIS5K 标准法兰(65A/80A),径向出线,高密封性适配中高压封闭系统,抗振动防泄漏,适合连续运行工况。材质耐腐长寿:SUS304/SUS316L / 钛材可选,电解抛光表面,耐酸碱 / 海水 / 药液,氧…

产品详情

日本 IZUMI 泉电热法兰加热器

一、核心特点(6 条,≤130 字 / 条)

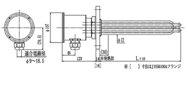
  1. 法兰密封安装:JIS5K 标准法兰(65A/80A),径向出线,高密封性适配中高压封闭系统,抗振动防泄漏,适合连续运行工况。
    image
  2. 材质耐腐长寿:SUS304/SUS316L / 钛材可选,电解抛光表面,耐酸碱 / 海水 / 药液,氧化镁绝缘,发热丝抗氧化,寿命长.
  3. 精准恒温可控:内置可调恒温器(30–120℃),控温 ±0.5℃,可配温控器 / 流量开关防干烧,简化控制设计。
  4. 高效热传导:直接浸入式加热,热效率高,功率密度适配广(低 / 中 / 高),升温快,适配水 / 油 / 药液等介质。
  5. 工业级安全:IP65 防护,防滴防水,电气绝缘可靠,防爆定制可选,适配洁净 / 防爆车间。
  6. 紧凑易维护:结构紧凑,无需支架,安装拆卸便捷,模块化设计便于清洁更换,适配设备集成。

二、主要用途

  1. 化工药液加热:反应釜 / 储罐酸碱液、溶剂、反应液恒温,钛材适配强腐蚀介质,保障制程稳定。

  2. 新能源电池:电解液预热、清洗液恒温、钝化槽加热,无杂质析出,保障电池品质与安全。

  3. 半导体 / 电子:晶圆清洗槽、显影液、光刻胶预热,高纯材质无沾污,适配洁净室工艺。

  4. 食品 / 制药:无菌灌装热水、巴氏杀菌、注射用水加热,食品级 / 洁净级材质,符合卫生标准。

  5. 电镀 / 表面处理:电镀液、磷化液、清洗槽恒温,耐蚀材质适配酸碱环境,提升镀层均匀性。

  6. 通用工业流体:工业水、导热油、水箱 / 油罐加热,管道防冻、空调除霜,适配多行业恒温场景。


【电商】MRO供应链日本IZUMI泉电热法兰加热器FSH-2303-10M
¥0.00
【电商】MRO供应链日本IZUMI泉电热法兰加热器FSH-2303-10M
【电商】MRO供应链日本IZUMI泉电热法兰加热器FSH-2303-08A
¥0.00
【电商】MRO供应链日本IZUMI泉电热法兰加热器FSH-2303-08A