...

欢迎光临深圳电商商业股份有限公司

你想找什么货品?

日本sakaguchi坂口电热热恒温器S06-200

日本sakaguchi坂口电热热恒温器S06-200

货号: S06-200
库存: 紧张

简介

德国Thermic的双金属恒温器采用了独特的专利制造工艺。 它具有紧凑型、耐压和抗振动设计,可集成于电机、变压器等中。该产品已获得多个国家的海外标准认证。紧凑设计热热部件设计紧凑,即使在狭小空间也能使用。耐压设计它也具有耐压能力,因此可以安装在电机和变压器线圈…

产品详情

德国Thermic的双金属恒温器采用了独特的专利制造工艺。 它具有紧凑型、耐压和抗振动设计,可集成于电机、变压器等中。
该产品已获得多个国家的海外标准认证。


紧凑设计热
热部件设计紧凑,即使在狭小空间也能使用。

耐压设计
它也具有耐压能力,因此可以安装在电机和变压器线圈的内外。

抗震设计即使
存在像电机(10~60Hz)这样的旋转振动,也能可靠地工作。


S06系列(标准型:设定温度150°C、180°C、200°C)


标准规格

开关机构单极单抛接触式
交换机作N和C(设定温度下关闭)
设定温度耐受±5°C
工作电压范围交流100伏特~交流500伏特
额定电压交流250伏(VDE)交流
277伏(UL)
接触容量250V/6.3A 500V/2A
接触接触电阻低于50mΩ
接触作时间不到1毫秒
耐电压AC2000V 1秒
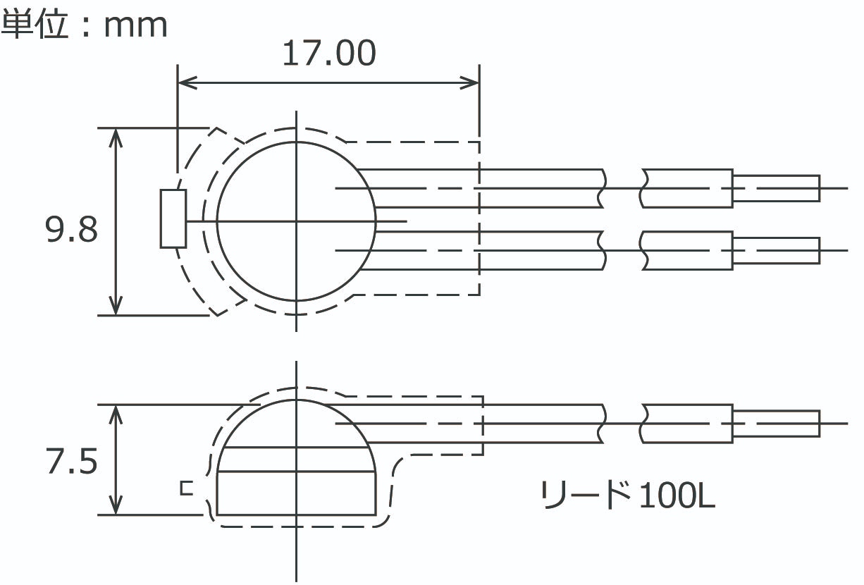
铅丝PTFE 线 0.75平方英尺×100L
抗震10~60Hz 100m/S²
耐压600N(60公斤)
切换周期10,000周期(AC)
海外认证标准UL(美国)、
CSA(加拿大)、
VDE(德国)、
IEC
ENEC
CQC



型号/代码设定温度
S06-150150°C
S06-180180°C
S06-200200°C


日本sakaguchi坂口电热热恒温器S06-230HT
¥0.00
日本sakaguchi坂口电热热恒温器S06-230HT
日本sakaguchi坂口电热热恒温器S06-180
¥0.00
日本sakaguchi坂口电热热恒温器S06-180